型 號:TIRROLLER WRSP型搬運小坦克
規 格:5噸-10噸TIRROLLER WRSP
公司名稱:日本TIRROLLER搬運小坦克
保質周期:12
價 格(≤ 1) ¥電議 /臺
優惠價格(≥ 5):電議


TIRROLLER WRSP型搬運小坦克介紹:
◆TIRROLLER WRSP型搬運小坦克采用電鍍合金材質制成,適合在無塵環境中搬運使用;
◆WRSP型搬運小坦克使用緊湊、結實的搬運坦克輪,四輪轉向,耐磨損能力強;
◆WRSP型TIRROLLER搬運小坦克采用低型設計,本體高度低。

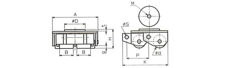
TIRROLLER WRSP型搬運小坦克尺寸圖:

|
型 號 |
WRSP-5U |
WRSP-8U |
WRSP-10U |
||||
|
載 荷(t) |
5 |
8 |
10 |
||||
|
自 重(kg) |
25 |
42 |
53 |
||||
|
移動阻力 |
鋼板路面 |
0.05 |
0.05 |
0.05 |
|||
|
混凝土路面 |
0.07 |
0.07 |
0.07 |
||||
|
額定載荷時轉矩(kg.m) |
靜轉矩 |
鋼板路面 |
40 |
64 |
80 |
||
|
混凝土路面 |
48 |
77 |
96 |
||||
|
動轉矩 |
鋼板路面 |
25 |
40 |
50 |
|||
|
混凝土路面 |
30 |
48 |
60 |
||||
|
|
A |
284 |
340 |
364 |
|||
|
K |
358 |
410 |
436 |
||||
|
P |
159 |
189 |
189 |
||||
|
H |
115 |
140 |
145 |
||||
|
g |
16 |
20 |
25 |
||||
|
ØS |
26 |
31 |
31 |
||||
|
|
型式 |
聚氨酯 |
|||||
|
個數 |
4 |
4 |
4 |
||||
|
Ød |
75 |
95 |
105 |
||||
|
B |
85 |
110 |
120 |
||||
|
|
ØD |
180 |
240 |
240 |
|||
|
t |
9 |
9 |
9 |
||||
|
M |
M20 |
M20 |
M20 |
||||
|
手柄(可選) |
PHP-25 |
PHP-30 |
PHP-30 |
||||
注:由于產品不斷改良,當外形與參數變更時,均以實物為主,想要了解更多產品詳情可電話聯系我們。

TIRROLLER WRSP型搬運小坦克屬于日本TIRROLLER品牌原裝進口產品,保質12個月(易損件除外),凡客戶從我公司定購此品牌產品如收到貨物時發現有假貨仿貨均以100倍金額賠償。